错误:错误的SQL字符串 update user_pro set hots= hots+1 where ID=75 电动推杆眼镜阀-南京腾州阀门有限公司
     防爆气动快速切断阀
     盲板阀(眼睛阀)
     蝶阀系列
     截止阀系列
     球阀系列
     闸阀系列
     止回阀系列
     过滤器系列
     调节阀系列
     安全阀系列
     水力控制阀系列
     减压阀系列
     电动二通阀系列
     柱塞阀系列
     电子除垢仪
     执行机构
     其它阀系列
南京腾州阀门有限公司
陈建州 经理 工程师
地址:南京市秦淮区升州路385号 
邮编:210036 
 邮箱:tzfm9@163.com
电话:025—52218939
手机:13801582818 
 
产品展示
当前位置:首页->盲板阀(眼睛阀)
电动推杆眼镜阀
发表时间:2011-5-25  文字 〖 〗  阅读次数:9671   [关闭窗口]

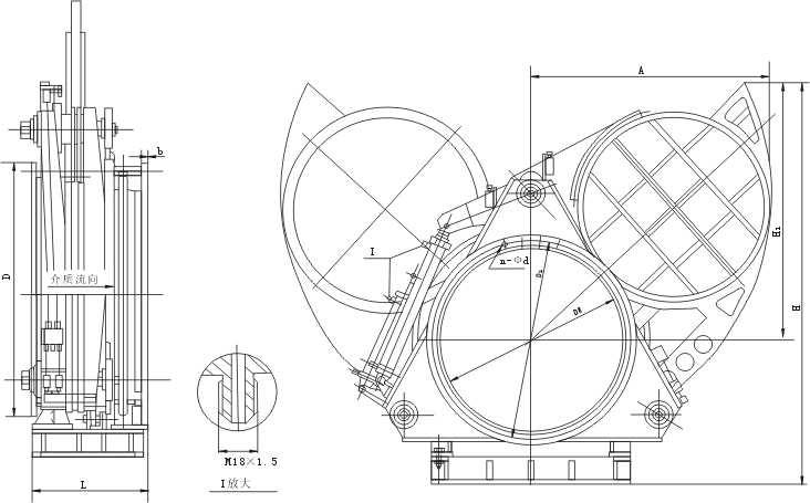
结构特点:


电动扇形盲板阀主要由左阀体、右阀体、丝杆副、翻板、密封圈、杠杆、液压油缸等零件组成,并由底座、支撑柱构成一个刚性结构体。阀门中设有夹紧油缸和翻板油缸,夹紧油缸通过杠杆副和丝杠螺旋副驱动左、右阀体完成松开、夹紧动作,翻板油缸驱动翻板完成开关动作。橡胶密封圈镶嵌在翻板上,具有耐高温、密封性能好、更换方便、使用寿命长等特点。
本阀可以单台远距离控制,亦可多台联网远距离控制。非正常情况下还可以利用阀门本身装置手动操作。

电动扇形盲板阀主要外形及连接尺寸表


文章分页:1 
版权所有:南京腾州阀门有限公司    产品技术支持:精嘉阀门集团有限公司          网站技术支持:www.njbaidu.com.cn 苏ICP备19068498号-1
南京百度推广 南京百度公司 南京百 度总代理提供建站支持